氣動法蘭不鏽鋼蝶閥 - 浙江蘇正自控閥門有限公司
  • <font id="je089m_3lr8lko_nmxkn"><bdo id="q8zo_i6m5ur_r1k"></bdo></font>

    1. <em id="grdc1_ms8_00f7g"></em>
    2. 産品描述

      一、氣動硬密封蝶閥 産品概述

          本公司生産的氣動對夾蝶閥是由高精度氣動執行器與蝶閥組成,氣動對夾蝶閥具有功能強,體積小,輕👽便宜人,性能可靠,配套簡單,流通能力大,特别适合于介質是粘稠,含顆粒,纖維性質的場合。氣動對夾蝶閥可廣泛應用于食品、環保、輕工✍🏻、石油、化工👩🏽‍🐰‍👩🏿、教學設備、造紙、氣力等行業的工業過程自動控制👻系統中。

      二、氣動硬密封蝶閥 産品特點

      1. 尼龍塗層與環氧樹脂塗層相結合,符合環保要求。
      2. 閥闆特有設計,流量系數大,流阻小。在額定壓力下,實現零洩漏。
      3. 采用半軸無銷連接,結構簡單緊湊,維修拆卸極為方👱🏼‍♂️便,迅速(可現場拆裝),蝶闆有自動對中功能,實現了蝶闆與閥座👩🏿‍❤️‍💋‍👨🏽過盈配合。
      4. 閥杆密封圈起雙向密封作用,避免介質外流,防止外😮‍💨來物質💕侵入,做到整閥零外漏。
      5. 氣動襯膠蝶閥具有良好的切斷和調節性能,能達🔞到氣泡級^密封,啟閉力矩小,使用壽命長等特點。

      三、氣動硬密封蝶閥 主要技術參數

      稱通經DN(mm)50~800
      公稱壓力PN(MPa)0.61.01.6
      密封試驗(MPa)0.661.11.76
      強度試驗(MPa)0.91.52.4
      适用溫度-40℃~350℃
      适用介質水、空氣、天然氣、油品及弱腐蝕性流體
      洩漏率符合GB/T13927-92标準
      驅動方式氣動
      配置執行機構GT、AT、AW系列單雙作用氣動執行器
      控制方式開關兩位控制、4~20mA模拟量信号控制

      四、氣動硬密封蝶閥 執行器技術參數

      執行器型号GT、AT、AW系列單雙作用氣動執行器
      供氣壓力0.4~0.7MPa
      氣源接口G1/4"、G1/8"、G3/8"、G1/2"
      環境溫度-30~+70℃
      作用形式單作用執行機構、雙作用執行機構
      可配附件定位器、氣磁閥、空氣過濾減壓器、保位閥、行程開關、閥位傳送器、手輪機構等

         采用新型氣動執行器,有雙作用式和單作用式(彈簧複位),齒輪齒條傳動,安全可靠;大口徑閥門采用系列AW型氣動執行器拔叉式傳動,結構合理,輸出力大,有雙作用式和單作用式。

      1. 齒輪式雙活塞,輸出力矩大,體積小。
      2. 氣缸選用鋁金材料,重量輕、外形美觀。
      3. 可在頂部、底部安裝手動操作機構。
      4. 齒條式連接可調節開啟角度、額定流量。
      5. 執行器可選帶氣訊号反饋指示及附件以實現自動化操作。
      6. IS05211标準連接為産品的安裝更換提供了方便。
      7. 兩端調的節螺釘可使标準産品在0°和90°有±4°的可調範圍😺。确保與閥門的同步精度。

      五、氣動硬密封蝶閥 主要零件材料

      零件名稱材料
      閥體鑄鋼、不鏽鋼
      蝶闆鑄鋼、不鏽鋼及特殊材料
      閥杆2Cr13、不鏽鋼
      填料O型圈、柔性石墨

      六、氣動硬密封蝶閥 主要性能規範

      公稱通徑DN(mm)DN50~1200
      公稱壓力PN(MPa)0.61.01.6
      試驗壓力強度試驗0.91.52.4
      密封試驗0.661.11.76
      低壓氣密試驗0.5~0.7
      适用介質空氣、水、污水、蒸氣、煤氣、油品等

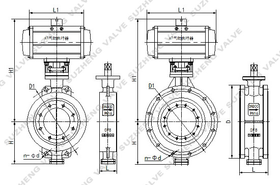
      七、氣動硬密封蝶閥 安裝連接尺寸

      八、氣動硬密封蝶閥 安裝連接尺寸

      公稱通經(DN)主要尺寸法蘭尺寸
      L 法蘭L1 對夾HH1A1.0MPa1.6MPa
      DD1n-ФdDD1n-Фd
      5010843633151801651254-181651254-18
      6511246703301801851454-181851454-18
      8011446833902452001604-182001608-18
      100127521054312402201808-182201808-18
      125140561154552402502108-182502108-18
      150140561376263502852408-222852408-22
      200152601647203503402958-2234029512-22
      2501656820680055039535012-2240535512-26
      3001787823086060044540012-2246041012-26
      3501907824888360050546016-2252047012-26
      40021610228997260056551516-2658052516-26
      450222114320104375061556520-2664058516-30
      500229127342109875067062020-2671565020-30
      600267154413123675078072520-3084077020-33
      700430165478143175089584024-3091084024-36
      8004701905251488750101595024-33102595024-39
      相關産品
      新聞中心
      Sitemap
    3. <font id="je089m_3lr8lko_nmxkn"><bdo id="q8zo_i6m5ur_r1k"></bdo></font>

      1. <em id="grdc1_ms8_00f7g"></em>